Product Summary
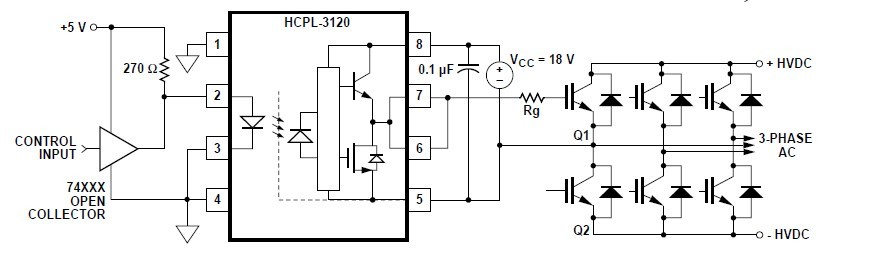
The HCPL-3120-500E is a 2.0 Amp output current IGBT gate drive optocoupler. It consists of a GaAsP LED optically coupled to an integrated circuit with a power output stage. The HCPL-3120-500E is ideally suited for driving power IGBTs and MOSFETs used in motor control inverter applications. The high operating voltage range of the output stage provides the drive voltages required by gate controlled devices. The applications of the HCPL-3120-500E: (1)Isolated IGBT/MOSFET Gate Drive; (2)AC and Brushless DC Motor Drives; (3)Industrial Inverters; (4)Switch Mode Power Supplies(SMPS).
Parametrics
HCPL-3120-500E absolute maxing ratings: (1)Storage Temperature TS: min=-55℃, max=125℃; (2)Operating Temperature TA: min=-40℃, max=100℃; (3)Average Input Current IF(AVG): max=25mA; (4)Peak Transient Input Current(<1μs pulse width, 300 pps) IF(TRAN): max=1.0A; (5)Reverse Input Voltage VR: max=5Volts; (6)High Peak Output Current IOH(PEAK): max=2.5A; (7)Low Peak Output Current IOL(PEAK): max=2.5A ; (8)Supply Voltage (VCC - VEE): min=0, max=35Volts; (9)Output Voltage VO: min=0, max=VCCVolts; (10)Output Power Dissipation PO: max=250mW ; (11)Total Power Dissipation PT: max=295mW ; (12)Lead Solder Temperature: 260℃ for 10 sec., 1.6 mm below seating plane.
Features
HCPL-3120-500E features: (1)2.0 A Minimum Peak Output Current; (2)15 kV/μs Minimum Common Mode Rejection (CMR) at VCM = 1500 V; (3)0.5 V Maximum Low Level Output Voltage (VOL) Eliminates Need for Negative Gate Drive; (4)ICC = 5 mA Maximum Supply Current; (5)Under Voltage Lock-Out Protection (UVLO) with Hysteresis; (6)Wide Operating VCC Range: 15 to 30 Volts; (7)500 ns Maximum Switching Speeds; (8)Industrial Temperature Range: -40℃ to 100℃.
Diagrams

| Image | Part No | Mfg | Description | ![]() |
Pricing (USD) |
Quantity | ||||||||||||
|---|---|---|---|---|---|---|---|---|---|---|---|---|---|---|---|---|---|---|
![]() |
![]() HCPL-3120-500E |
![]() Avago Technologies |
![]() Logic Output Optocouplers 2.0A IGBT Gate Drive |
![]() Data Sheet |
![]()
|
|
||||||||||||
| Image | Part No | Mfg | Description | ![]() |
Pricing (USD) |
Quantity | ||||||||||||
![]() |
![]() HCPL-0201 |
![]() Avago Technologies |
![]() High Speed Optocouplers 5MBd 1Ch 1.6mA |
![]() Data Sheet |
![]()
|
|
||||||||||||
![]() |
![]() HCPL-0201#060 |
![]() Avago Technologies |
![]() High Speed Optocouplers 5MBd 1Ch 1.6mA |
![]() Data Sheet |
![]()
|
|
||||||||||||
![]() |
![]() HCPL-0201#500 |
![]() Avago Technologies |
![]() High Speed Optocouplers 5MBd 1Ch 1.6mA |
![]() Data Sheet |
![]()
|
|
||||||||||||
![]() |
![]() HCPL-0201#560 |
![]() Avago Technologies |
![]() High Speed Optocouplers 5MBd 1Ch 1.6mA |
![]() Data Sheet |
![]()
|
|
||||||||||||
![]() |
![]() HCPL-0201-000E |
![]() Avago Technologies |
![]() High Speed Optocouplers 5MBd 1Ch 1.6mA |
![]() Data Sheet |
![]()
|
|
||||||||||||
![]() |
![]() HCPL-0201-060E |
![]() Avago Technologies |
![]() High Speed Optocouplers 5MBd 1Ch 1.6mA |
![]() Data Sheet |
![]()
|
|
||||||||||||
(China (Mainland))









