Product Summary
The LM138K/883 is a adjustable 3-terminal positive voltage regulator capable of supplying in excess of 5 A over a 1.2 V to 32 V output range. It is exceptionally easy to use and require only 2 resistors to set the output voltage.
Parametrics
Absolute maximum ratings: (1)Input-output voltage differential:35V; (2)Power dissipation:Internally limited; (3)Storage temperature range:-65℃ to +150℃; (4)Lead temperature (Soldering, 10 seconds):300°C; (5)Operating junction temperature range:-55℃ to +150℃.
Features
Features: (1)Guaranteed 7 A peak output current; (2)Guaranteed 5 A output current; (3)Adjustable output down to 1.2 V; (4)Line regulation typically 0.005 %/V; (5)Load regulation typically 0.1 %; (6)Guaranteed thermal regulation; (7)Current limit constant with temperature; (8)Standard 3-lead transistor package.
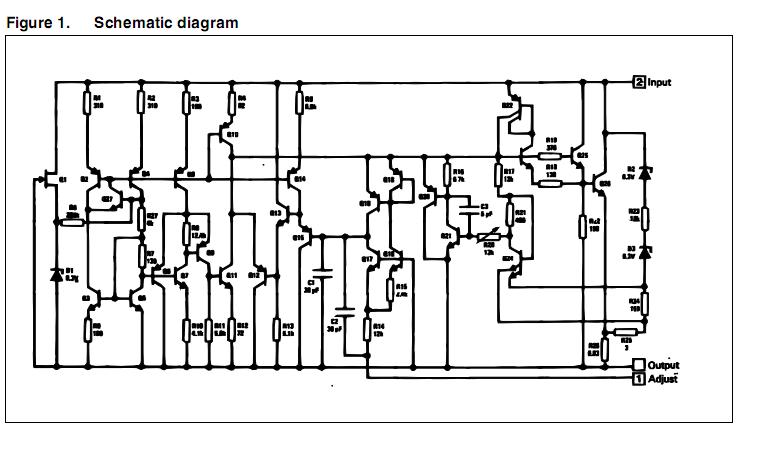
Diagrams
![]() |
![]() LM1301-7R |
![]() Power-One |
![]() Linear and Switching Power Supplies Euro-Cassette 50W (12V) |
![]() Data Sheet |
![]() Negotiable |
|
||||||||
![]() |
![]() LM130SS1T611 |
![]() Other |
![]() |
![]() Data Sheet |
![]() Negotiable |
|
||||||||
![]() |
![]() LM134 |
![]() Other |
![]() |
![]() Data Sheet |
![]() Negotiable |
|
||||||||
![]() |
![]() LM134H |
![]() National Semiconductor (TI) |
![]() Voltage & Current References |
![]() Data Sheet |
![]()
|
|
||||||||
![]() |
![]() LM134H/NOPB |
![]() National Semiconductor (TI) |
![]() Voltage & Current References |
![]() Data Sheet |
![]()
|
|
||||||||
![]() |
![]() LM135 |
![]() Other |
![]() |
![]() Data Sheet |
![]() Negotiable |
|
||||||||
(China (Mainland))








