Product Summary
The ATMEGA64L-8AU is a low-power CMOS 8-bit microcontroller based on the AVR enhanced RISC architecture. By executing powerful instructions in a single clock cycle, the ATMEGA64L-8AU achieves throughputs approaching 1 MIPS per MHz, allowing the system designer to optimize power consumption versus processing speed. The ATMEGA64L-8AU is manufactured using Atmel’s high-density non-volatile memory technology. The On-chip ISP Flash allows the program memory to be reprogrammed In-System through an SPI serial interface, by a conventional non-volatile memory programmer, or by an On-chip Boot program running on the AVR core.
Parametrics
ATMEGA64L-8AU absolute maximum ratings: (1)Operating Temperature:-55℃ to +125℃; (2)Storage Temperature:-65℃ to +150℃; (3)Voltage on any Pin except RESET with respect to Ground:-0.5V to VCC+0.5V; (4)Voltage on RESET with respect to Ground:-0.5V to +13.0V; (5)Maximum Operating Voltage:6.0V; (6)DC Current per I/O Pin:40.0 mA; (7)DC Current VCC and GND Pins:200.0mA to 400.0mA.
Features
ATMEGA64L-8AU features: (1)Two 8-bit Timer/Counters with Separate Prescalers and Compare Modes; (2)Two Expanded 16-bit Timer/Counters with Separate Prescaler, Compare Mode, and Capture Mode; (3)Real Time Counter with Separate Oscillator; (4)Two 8-bit PWM Channels; (5)6 PWM Channels with Programmable Resolution from 1 to 16 Bits; (6)8-channel, 10-bit ADC; (7)Byte-oriented Two-wire Serial Interface; (8)Dual Programmable Serial USARTs; (9)Master/Slave SPI Serial Interface; (10)Programmable Watchdog Timer with On-chip Oscillator; (11)On-chip Analog Comparator; (12)Power-on Reset and Programmable Brown-out Detection; (13)Internal Calibrated RC Oscillator; (14)External and Internal Interrupt Sources; (15)Six Sleep Modes: Idle, ADC Noise Reduction, Power-save, Power-down, Standby and Extended Standby; (16)Software Selectable Clock Frequency; (17)ATmega103 Compatibility Mode Selected by a Fuse; (18)Global Pull-up Disable.
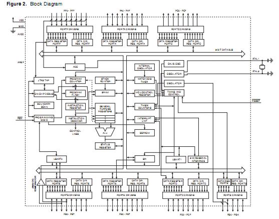
Diagrams

| Image | Part No | Mfg | Description | ![]() |
Pricing (USD) |
Quantity | ||||||||||||
|---|---|---|---|---|---|---|---|---|---|---|---|---|---|---|---|---|---|---|
![]() |
![]() ATmega64L-8AU |
![]() Atmel |
![]() 8-bit Microcontrollers (MCU) 64kB Flash 2kB EEPROM 54 I/O Pins |
![]() Data Sheet |
![]()
|
|
||||||||||||
![]() |
![]() ATMEGA64L-8AUR |
![]() Atmel |
![]() 8-bit Microcontrollers (MCU) AVR 64KB FLSH 2KB EE 4KB SRAM-8MHz, IND |
![]() Data Sheet |
![]()
|
|
||||||||||||
(China (Mainland))










