Product Summary
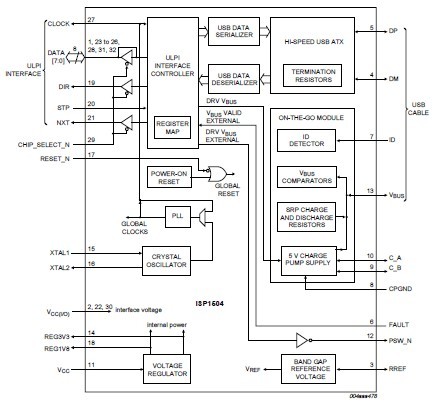
The ISP1504ABS is a Universal Serial Bus (USB) On-The-Go (OTG) transceiver that is fully compliant with Universal Serial Bus Specification Rev. 2.0, On-The-Go Supplement to the USB 2.0 Specification Rev. 1.2 and UTMI+ Low Pin Interface (ULPI)Specification. The applications of the ISP1504ABS include: (1)Digital still camera; (2)Digital TV; (3)Digital Video Disc (DVD) recorder; (4)External storage device, for example: Zip drive; Magneto-Optical (MO) drive; Optical drive: CD-ROM, CD-RW, DVD; (5)Mobile phone.
Parametrics
ISP1504ABS absolute maxing ratings: (1)VCC supply voltage: min=-0.5V, max=+4.6V; (2)VCC(I/O) input/output supply voltage: min=-0.5V, max=+4.6V; (3)On the conditions of on pins clock, STP, DATA[7:0], reset_N and chip_select_N, VI input voltage: min= -0.5V, max=VCC(I/O) + 0.5V; On the conditions of on pins VBUS, fault and PSW_N: min=-0.5V, max=+6.0V; On the conditions of on pin XTAL1: min=-0.5V, max=+2.5V; On the conditions of on pin ID: min=-0.5V, max=+4.6V; (4)On the conditions of pins DP, DM, ID, VBUS and GND; Iu<1μA, VESD electrostatic discharge voltage: min=-4kV, max=+4kV; On the conditions of all other pins; ILI<1μA: min=-1.5kV, max=+1.5kV.
Features
ISP1504ABS features: (1)Fully complies with: Universal Serial Bus Specification Rev. 2.0; On-The-Go Supplement to the USB 2.0 Specification Rev. 1.2; UTMI+ Low Pin Interface (ULPI) Specification Rev. 1.1; (2)Interfaces to host, peripheral and OTG device cores; optimized for portable devices or system ASICs with built-in USB OTG device core; (3)Complete USB OTG physical front-end that supports Host Negotiation Protocol (HNP) and Session Request Protocol (SRP).
Diagrams

| Image | Part No | Mfg | Description | ![]() |
Pricing (USD) |
Quantity | ||||
|---|---|---|---|---|---|---|---|---|---|---|
![]() |
![]() ISP1504ABS |
![]() NXP Semiconductors |
![]() Universal Bus Functions USB2.0/ULPI1.1 XCVR USB ON-THE-GO R1.2 |
![]() Data Sheet |
![]() Negotiable |
|
||||
![]() |
![]() ISP1504ABS,118 |
![]() NXP Semiconductors |
![]() RF Transceiver USB ULPI TRANSCEIVER |
![]() Data Sheet |
![]() Negotiable |
|
||||
![]() |
![]() ISP1504ABS-T |
![]() NXP Semiconductors |
![]() Universal Bus Functions USB ULPI TRANSCEIVER |
![]() Data Sheet |
![]() Negotiable |
|
||||
![]() |
![]() ISP1504ABS,151 |
![]() NXP Semiconductors |
![]() RF Transceiver USB ULPI TRANSCEIVER |
![]() Data Sheet |
![]() Negotiable |
|
||||
![]() |
![]() ISP1504ABSFA |
![]() |
![]() IC USB TXRX HS 32-HVQFN |
![]() Data Sheet |
![]() Negotiable |
|
||||
![]() |
![]() ISP1504ABSTM |
![]() |
![]() IC USB TXRX HS 32-HVQFN |
![]() Data Sheet |
![]() Negotiable |
|
||||
(China (Mainland))










