Product Summary
The MIG30J502HB is a intelligent power module silicon N-channel IGBT.
Parametrics
MIG30J502HB absolute maxing ratings: (1)On the condition of P-N, VCC supply voltage: 400V; (2)VCES collector-emitter voltage: 600V; (3)On the condition of Tc=25℃, ±IC collector current(DC): 30A; (4)On the condition of Tc=25℃, PC collector power dissipation: 83W; (5)Tj junction temperature: 150℃; (6)VD supply voltage: 20V; (7)On the condition of VIN=VD, VIN input voltage: 20V; (8)On the condition of VFO=VD, VFO foul output voltage: 20V; (9)IFO foul output current: 7mA.
Features
MIG30J502HB features: (1)Intelligent power module that include IGBT drive circuits, overcurrent, undervoltage lockout, and overtemperature protection; (2)The electrodes are isolated from case; (3)High speed type IGBT: VCE(sat)=2.7V(MAX.); toff=2.0μs(MAX.); trr=0.25μs(max.); (4)Outline: TOSHIBA 2-99ELA; (5)Weight: 80g.
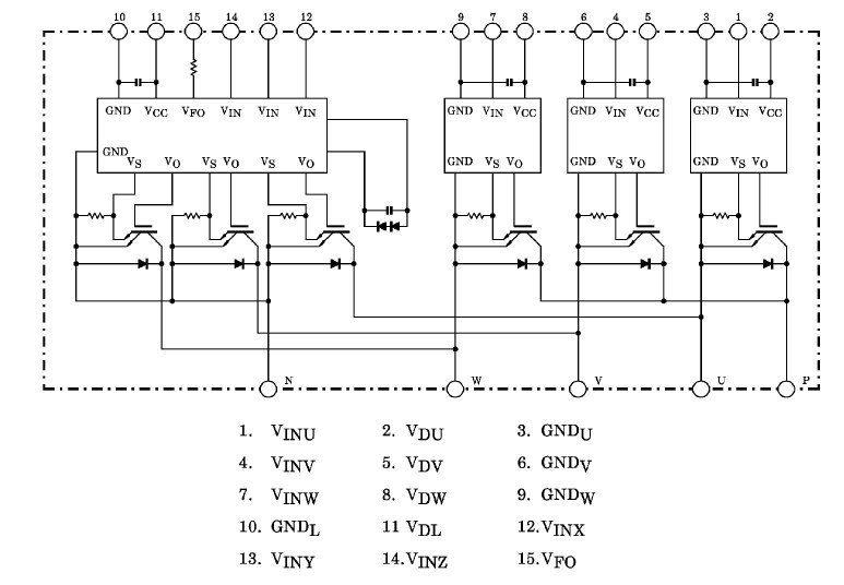
Diagrams

![]() |
![]() MIG300J101H |
![]() Other |
![]() |
![]() Data Sheet |
![]() Negotiable |
|
||||
![]() |
![]() MIG300J2CSB1W |
![]() |
![]() IPM MOD CMPCT DUAL 600V 300A |
![]() Data Sheet |
![]() Negotiable |
|
||||
![]() |
![]() MIG300Q101H |
![]() Other |
![]() |
![]() Data Sheet |
![]() Negotiable |
|
||||
![]() |
![]() MIG300Q2CMB1X |
![]() |
![]() IPM MOD CMPCT DUAL 1200V 300A |
![]() Data Sheet |
![]() Negotiable |
|
||||
![]() |
![]() MIG30J103H |
![]() Other |
![]() |
![]() Data Sheet |
![]() Negotiable |
|
||||
![]() |
![]() MIG30J103HB |
![]() Other |
![]() |
![]() Data Sheet |
![]() Negotiable |
|
||||
(China (Mainland))








