Product Summary
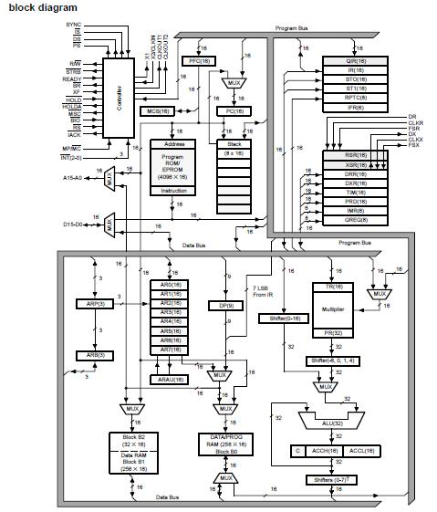
The SMJ320C25GBM 5962-8861901XA digital signal processor (DSP) device is in the SMJ320 family of VLSI digital signal processors and peripherals. The SMJ320C25GBM 5962-8861901XA supports a wide range of digital signal processing applications such as tactical communications, guidance, military modems, speech processing, spectrum analysis, audio processing, digital filtering, high-speed control, graphics, and other computation-intensive applications.
Parametrics
SMJ320C25GBM 5962-8861901XA absolute maximum ratings: (1)Supply voltage, VCC: –0.3 V to 7 V; (2)Input voltage range: –0.3 V to 7 V; (3)Output voltage range: –0.3 V to 7 V; (4)Continuous power dissipation: 1.0 W; (5)Storage temperature range: – 65℃ to 150℃.
Features
SMJ320C25GBM 5962-8861901XA features: (1)Military Temperature Range: –55℃ to 125℃; (2)100-ns or 80-ns Instruction Cycle Times; (3)544 Words of Programmable On-Chip Data RAM; (4)4K Words of On-Chip Program ROM; (5)128K Words of Data/Program Space; (6)16 Input and 16 Output Channels; (7)16-Bit Parallel Interface; (8)Directly Accessible External Data Memory Space-Global Data Memory Interface; (9)16-Bit Instruction and Data Words; (10)16 × 16-Bit Multiplier With a 32-Bit Product; (11)32-Bit ALU and Accumulator; (12)Single-Cycle Multiply/Accumulate Instructions.
Diagrams

![]() |
![]() SMJ320C25 |
![]() Other |
![]() |
![]() Data Sheet |
![]() Negotiable |
|
||||||
![]() |
![]() SMJ320C25-50 |
![]() Other |
![]() |
![]() Data Sheet |
![]() Negotiable |
|
||||||
![]() |
![]() SMJ320C30 |
![]() Other |
![]() |
![]() Data Sheet |
![]() Negotiable |
|
||||||
![]() |
![]() SMJ320C30GBM40 |
![]() Texas Instruments |
![]() Digital Signal Processors & Controllers (DSP, DSC) Digital Signal Proc |
![]() Data Sheet |
![]()
|
|
||||||
![]() |
![]() SMJ320C30KGDB |
![]() Other |
![]() |
![]() Data Sheet |
![]() Negotiable |
|
||||||
![]() |
![]() SMJ320C31 |
![]() Other |
![]() |
![]() Data Sheet |
![]() Negotiable |
|
||||||
(China (Mainland))








