Product Summary
The 2SK246GR is a field effect transistor. The applications of it are constant curent, impedance converter and DC-AC high input impedance amplifier circuit.
Parametrics
2SK246GR absolute maximum ratings: (1)gate-drain voltage:-50V; (2)gate current:10mA; (3)drain power dissipation:300mW; (4)junction temperature:125℃; (5)storage temperature range:-55℃ to 125℃.
Features
2SK246GR features: (1)high breakdown voltage: VGDS=-50V; (2)high input impedance: IGSS=1nA(max.)(VGS=-30V).
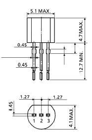
Diagrams

![]() |
![]() 2SK2002-01MR |
![]() Other |
![]() |
![]() Data Sheet |
![]() Negotiable |
|
||||
![]() |
![]() 2SK2003-01MR |
![]() Other |
![]() |
![]() Data Sheet |
![]() Negotiable |
|
||||
![]() |
![]() 2SK2007 |
![]() Other |
![]() |
![]() Data Sheet |
![]() Negotiable |
|
||||
![]() |
![]() 2SK2008 |
![]() Other |
![]() |
![]() Data Sheet |
![]() Negotiable |
|
||||
![]() |
![]() 2SK2009 |
![]() Other |
![]() |
![]() Data Sheet |
![]() Negotiable |
|
||||
![]() |
![]() 2SK2010 |
![]() Other |
![]() |
![]() Data Sheet |
![]() Negotiable |
|
||||
(China (Mainland))








