Product Summary
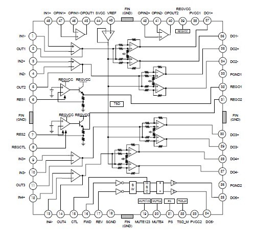
The FAN8036L is a monolithic integrated circuit suitable for a 5-CH motor driver which drives the tracking actuator, focus actuator, sled motor, spindle motor, and tray motor of the CDP/CAR-CD/DVDP systems. The applications of the FAN8036L include: (1)Compact Disk Player; (2)Video Compact Disk Player; (3)Car Compact Disk Player; (4)Digital Video Disk Player.
Parametrics
FAN8036L absolute maxing ratings: (1)Maximum Supply Voltage: 18V; (2)Power Dissipation PD: 3W; (3)Operating Temperature TOPR: -35 ~ +85℃; (4)Storge Temperature TSTG: -55 ~ +150℃; (5)Maximum Output Current IOMAX: 1A.
Features
FAN8036L features: (1)4-CH Balanced Transformerless (BTL) Driver; (2)1-CH (Forward Reverse) Control DC Motor Driver; (3)Operating Supply Voltage (4.5V ~ 13.2V); (4)Built in Thermal Shut Down Circuit (TSD); (5)Built in Channel Mute Circuit; (6)Built in Power Save Mode Circuit; (7)Built in TSD Monitor Circuit; (8)Built in 2 Regulators; (9)Built in 2-OP AMPs.
Diagrams

| Image | Part No | Mfg | Description | ![]() |
Pricing (USD) |
Quantity | ||||||||||||
|---|---|---|---|---|---|---|---|---|---|---|---|---|---|---|---|---|---|---|
![]() |
![]() FAN8036L |
![]() Fairchild Semiconductor |
![]() Motor / Motion / Ignition Controllers & Drivers 5CH |
![]() Data Sheet |
![]()
|
|
||||||||||||
| Image | Part No | Mfg | Description | ![]() |
Pricing (USD) |
Quantity | ||||||||||||
![]() |
![]() FAN8000D |
![]() Fairchild Semiconductor |
![]() Motor / Motion / Ignition Controllers & Drivers |
![]() Data Sheet |
![]() Negotiable |
|
||||||||||||
![]() |
![]() FAN8000DTF |
![]() Fairchild Semiconductor |
![]() Motor / Motion / Ignition Controllers & Drivers BTL Motor Driver |
![]() Data Sheet |
![]() Negotiable |
|
||||||||||||
![]() |
![]() FAN8001BD |
![]() Fairchild Semiconductor |
![]() Motor / Motion / Ignition Controllers & Drivers Motor Driver 4Ch BTL+1Ch DC |
![]() Data Sheet |
![]() Negotiable |
|
||||||||||||
![]() |
![]() FAN8001BDTF |
![]() Fairchild Semiconductor |
![]() Motor / Motion / Ignition Controllers & Drivers Motor Driver 5Ch BTL+1Ch DC |
![]() Data Sheet |
![]() Negotiable |
|
||||||||||||
![]() |
![]() FAN8001D |
![]() Other |
![]() |
![]() Data Sheet |
![]() Negotiable |
|
||||||||||||
![]() |
![]() FAN8002D2 |
![]() Other |
![]() |
![]() Data Sheet |
![]() Negotiable |
|
||||||||||||
(China (Mainland))










