Product Summary
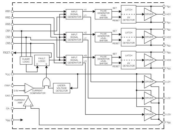
The IR2132JTR is a high voltage, high speed power MOSFET and IGBT driver with three independent high and low side referenced output channels. Proprietary HVIC technology enables ruggedized monolithic construction. The IR2132JTR features a high pulse current buffer stage designed for minimum driver cross-conduction. Propagation delays are matched to simplify use at high frequencies. The floating channels can be used to drive N-channel power MOSFETs or IGBTs in the high side configuration which operate up to 600 volts.
Parametrics
IR2132JTR absolute maximum ratings: (1)High Side Floating Supply Voltage:-0.3V to 625V; (2)High Side Floating Offset Voltage:VB1,2,3-25V to VB1,2,3+0.3V; (3)High Side Floating Output Voltage:VS1,2,3-0.3V to VB1,2,3+0.3V; (4)Low Side and Logic Fixed Supply Voltage:-0.3V to 25V; (5)Logic Ground:VCC-25V to VCC+0.3V; (6)Low Side Output Voltage:-0.3V to VCC+0.3V; (7)Logic Input Voltage (HIN1,2,3, LIN1,2,3 & ITRIP):VSS-0.3V to (VSS + 15) or (VCC + 0.3) whichever is lower; (8)FAULT Output Voltage:VSS-0.3V to VCC+0.3V; (9)Operational Amplifier Output Voltage:VSS-0.3V to VCC+0.3V; (10)Operational Amplifier Inverting Input Voltage:VSS-0.3V to VCC+0.3V; (11)Allowable Offset Supply Voltage Transient:50 V/ns; (12)Package Power Dissipation @ TA ≤ +25℃:2.0W; (13)Thermal Resistance, Junction to Ambient:63℃/W; (14)Junction Temperature:150℃; (15)Storage Temperature:-55℃ to 150℃; (16)Lead Temperature (Soldering, 10 seconds):300℃.
Features
IR2132JTR features: (1)Floating channel designed for bootstrap operation Fully operational to +600V Tolerant to negative transient voltage dV/dt immune; (2)Gate drive supply range from 10 to 20V; (3)Undervoltage lockout for all channels; (4)Over-current shutdown turns off all six drivers; (5)Independent half-bridge drivers; (6)Matched propagation delay for all channels; (7)2.5V logic compatible; (8)Outputs out of phase with inputs; (9)Cross-conduction prevention logic; (10)Also available LEAD-FREE.
Diagrams

| Image | Part No | Mfg | Description | ![]() |
Pricing (USD) |
Quantity | ||||||||||
|---|---|---|---|---|---|---|---|---|---|---|---|---|---|---|---|---|
![]() |
![]() IR2132JTR |
![]() |
![]() IC DRIVER BRIDGE 3-PHASE 44-PLCC |
![]() Data Sheet |
![]() Negotiable |
|
||||||||||
![]() |
![]() IR2132JTRPBF |
![]() International Rectifier |
![]() Power Driver ICs |
![]() Data Sheet |
![]()
|
|
||||||||||
(China (Mainland))










