Product Summary
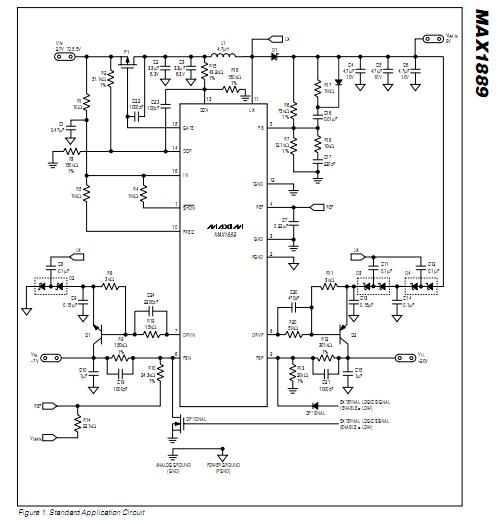
The MAX1889ETE-T is a Triple-Output TFT LCD Power Supply with Fault Protection. It provides the three regulated output voltages required for active matrix, thin-film transistor liquid crystal displays (TFT LCDs). The MAX1889ETE-T combines a high-performance step-up regulator with two linear-regulator controllers and multiple levels of protection circuitry for a complete power-supply system. The MAX1889ETE-T has a unique input switch control that can replace the typical input fuse by disconnecting the load from the input supply when a fault is detected. The applications of the MAX1889ETE-T are Notebook Computer Displays, LCD Monitors, Car Navigation Displays.
Parametrics
MAX1889ETE-T absolute maximum ratings: (1)IN, SHDN, OCN, OCP, FB, FBP, FBN, FREQ to GND:-0.3V to +6V; (2)PGND to GND:±0.3V; (3)LX to PGND:-0.3V to +14V; (4)DRVP to GND:-0.3V to +30V; (5)REF, GATE, TGND to GND:-0.3V to (VIN + 0.3V); (6)DRVN to GND:(VIN - 28V) to (VIN + 0.3V); (7)Continuous Power Dissipation (TA = +70℃):1538mW; (8)Junction Temperature:+150℃; (9)Storage Temperature Range:-65℃ to +150℃; (10)Lead Temperature (soldering, 10s):+300℃.
Features
MAX1889ETE-T features: (1)Fast Transient Response; (2)Current-Mode Control Architecture; (3)Built-In High-Efficiency N-Channel Power MOSFET; (4)Current-Limit Comparator >85% Efficiency; (5)Selectable Switching Frequency(500kHz/1MHz); (6)Internal Soft-Start; (7)Positive Linear-Regulator Controller; (8)Negative Linear-Regulator Controller; (9)Input Switch Replaces Input Fuse; (10)Output Overload Detection with Timer Latch; (11)Thermal Shutdown; (12)2.7V to 5.5V Input Operating Range; (13)Ultra-Small External Components ; (14)1μA Shutdown Current (max); (15)1mA Quiescent Current (max); (16)Ultra-Thin 16-Pin QFN Package(0.8mm Maximum Thickness).
Diagrams

| Image | Part No | Mfg | Description | ![]() |
Pricing (USD) |
Quantity | ||||||||||||
|---|---|---|---|---|---|---|---|---|---|---|---|---|---|---|---|---|---|---|
![]() |
![]() MAX1889ETE-T |
![]() Maxim Integrated Products |
![]() DC/DC Switching Converters |
![]() Data Sheet |
![]() Negotiable |
|
||||||||||||
| Image | Part No | Mfg | Description | ![]() |
Pricing (USD) |
Quantity | ||||||||||||
![]() |
![]() MAX10 |
![]() Aavid Thermalloy |
![]() Heat Sinks 39.85 N (8.96 lbs) |
![]() Data Sheet |
![]() Negotiable |
|
||||||||||||
![]() |
![]() MAX100 |
![]() Other |
![]() |
![]() Data Sheet |
![]() Negotiable |
|
||||||||||||
![]() |
![]() MAX1002 |
![]() Other |
![]() |
![]() Data Sheet |
![]() Negotiable |
|
||||||||||||
![]() |
![]() MAX1002CAX |
![]() Maxim Integrated Products |
![]() ADC (A/D Converters) |
![]() Data Sheet |
![]() Negotiable |
|
||||||||||||
![]() |
![]() MAX1002CAX+ |
![]() Maxim Integrated Products |
![]() ADC (A/D Converters) Low-Power 60Msps Dual 6-Bit |
![]() Data Sheet |
![]()
|
|
||||||||||||
![]() |
![]() MAX1002CAX+T |
![]() Maxim Integrated Products |
![]() ADC (A/D Converters) Low-Power 60Msps Dual 6-Bit |
![]() Data Sheet |
![]()
|
|
||||||||||||
(China (Mainland))










