Product Summary
The NJM2396F33 is a low dropout voltage regulator with ON/OFF control. The output current is up to 1.5A and dropout voltage is 0.2Vtyp. at Io=0.5A. The NJM2396F33 is suitable for power module, TV, Display, car stereo and low power applications.
Parametrics
NJM2396F33 absolute maximum ratings: (1)Input Voltage:+35 V ; (2)Control Voltage:+35V ; (3)Output Current:1.5A; (4)Power Dissipation:18W(Tc<50℃); (5)Operating Junction Temperature Range:-40℃ to +150℃; (6)Operating Temperature Range:-40℃ to 85℃; (7)Storage Temperature Range:-50℃ to 150℃.
Features
NJM2396F33 features: (1)Low Dropout Voltage:VI-O=0.2V typ. at Io=0.5A; (2)Output Current:Io(max.)=1.5A; (3)ON/OFF Control; (4)Internal Short Circuit Current Limit; (5)Internal Thermal Overload Protection; (6)Bipolar Technology; (7)Package Outline:TO-220F-4.
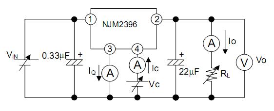
Diagrams

| Image | Part No | Mfg | Description | ![]() |
Pricing (USD) |
Quantity | ||||||||||||
|---|---|---|---|---|---|---|---|---|---|---|---|---|---|---|---|---|---|---|
![]() |
![]() NJM2396F33 |
![]() NJR |
![]() Low Dropout (LDO) Regulators LDO w/On/Off Cntrl |
![]() Data Sheet |
![]()
|
|
||||||||||||
![]() |
![]() NJM2396F33# |
![]() NJR |
![]() IC LDO REG 1.5A ON/OFF TO-220F-4 |
![]() Data Sheet |
![]()
|
|
||||||||||||
(China (Mainland))










