Product Summary
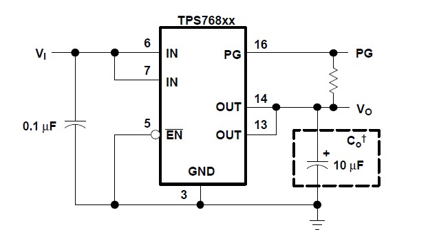
The TPS76801QD is designed to have a fast transient response and be stable with 10μF low ESR capacitors. This combination of the TPS76801QD provides high performance at a reasonable cost. Because the PMOS TPS76801QD behaves as a low-value resistor, the dropout voltage is very low and is directly proportional to the output current. Additionally, sincethe PMOS pass element of the TPS76801QD is a voltage-driven device, the quiescent current is very low and independent of output loading (typically 85 μA over the full range of output current, 0 mA to 1 A). These two key specifications of the TPS76801QD yield a significant improvement in operating life for battery-powered systems. This LDO family also features a sleep mode; applying a TTL high signal to EN (enable) shuts down the regulator, reducing the quiescent current to less than 1 μA at TJ = 25℃.
Parametrics
TPS76801QD absolute maximum ratings: (1)Input voltage range, VI: -0.3 V to 13.5 V; (2)Voltage range at EN: -0.3 V to VI + 0.3 V; (3)Maximum PG voltage: 16.5 V; (4)Peak output current: Internally limited; (5)Output voltage, VO (OUT, FB): 7 V; (6)Operating junction temperature range, TJ: -40℃ to 125℃; (7)Storage temperature range, Tstg: -65℃ to 150℃; (8)ESD rating, HBM: 2 kV.
Features
TPS76801QD features: (1)1 A Low-Dropout Voltage Regulator; (2)Available in 1.5-V, 1.8-V, 2.5-V, 2.7-V, 2.8-V, 3.0-V, 3.3-V, 5.0-V Fixed Output and Adjustable Versions; (3)Dropout Voltage Down to 230 mV at 1 A; (4)Ultralow 85 μA Typical Quiescent Current; (5)Fast Transient Response; (6)2% Tolerance Over Specified Conditions for Fixed-Output Versions; (7)Open Drain Power Good (See TPS767xx for Power-On Reset With 200-ms Delay Option); (8)8-Pin SOIC and 20-Pin TSSOP (PWP) Package; (9)Thermal Shutdown Protection.
Diagrams

| Image | Part No | Mfg | Description | ![]() |
Pricing (USD) |
Quantity | ||||||||||||
|---|---|---|---|---|---|---|---|---|---|---|---|---|---|---|---|---|---|---|
![]() |
![]() TPS76801QDRG4 |
![]() Texas Instruments |
![]() Low Dropout (LDO) Regulators Micropower LDO Reg |
![]() Data Sheet |
![]()
|
|
||||||||||||
![]() |
![]() TPS76801QDR |
![]() Texas Instruments |
![]() Low Dropout (LDO) Regulators Micropower LDO Reg |
![]() Data Sheet |
![]()
|
|
||||||||||||
![]() |
![]() TPS76801QDG4 |
![]() Texas Instruments |
![]() Low Dropout (LDO) Regulators Micropower LDO Reg |
![]() Data Sheet |
![]()
|
|
||||||||||||
![]() |
![]() TPS76801QD |
![]() Texas Instruments |
![]() Low Dropout (LDO) Regulators Micropower LDO Reg |
![]() Data Sheet |
![]()
|
|
||||||||||||
(China (Mainland))









