Product Summary
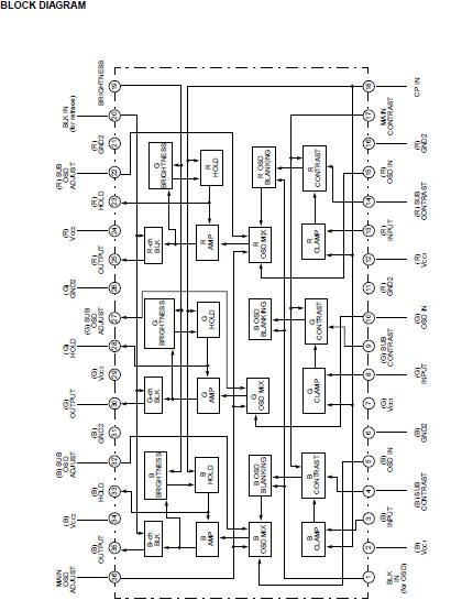
The M52722SP is a video amplifier provided with OSD mixing function, and a semiconductor IC having three channels of a built-in wideband 180MHz amplifier. Each channel of the M52722SP has the functions of OSD blanking, OSD mixing, retrace line blanking, wideband amplifier, main and sub contrast control, and main brightness. Accordingly, it is structured to best fit the OSD-provided high resolution display. The M52722SP is suitable for CRT display.
Parametrics
M52722SP absolute maximum ratings: (1)VCC, Supply voltage: 13.0 V; (2)Pd, Power dissipation: 2403 mW; (3)Topr, Operating temperature: -20 to +85℃; (4)Tstg, Storage temperature: -40 to +150℃; (5)Vopr, Recommended operating supply voltage: 12.0 V; (6)Vopr, Recommended operating supply voltage range: 11.5 to 12.5 V; (7)Sarge, Surge pressure: ±200 V.
Features
M52722SP features: (1)Frequency band : RGB: 180MHz (at 3VP-P ); OSD:50MHz; (2)Input: RGB: 0.7VP-P (Typ.); OSD: more than 3VP-P (positive polarity); BLK (for OSD): more than 3VP-P (positive polarity); Retrace line BLK: more than 3VP-P (positive polarity); (3)Output: RGB: 4.0VP-P (max.); OSD: 4.0VP-P (max.); (4)Each control of contrast and OSD adjustment includes a main which allows 3 channels to be variable simultaneously, and a sub which allows each channel to be variable independently. Each control pin can be controlled within a range of 0 to 5V; (5)A built-in feedback circuit inside IC provides a stable DC level at IC output pins.
Diagrams

| Image | Part No | Mfg | Description | ![]() |
Pricing (USD) |
Quantity | ||||||
|---|---|---|---|---|---|---|---|---|---|---|---|---|
![]() |
![]() M52722SP |
![]() Other |
![]() |
![]() Data Sheet |
![]() Negotiable |
|
||||||
| Image | Part No | Mfg | Description | ![]() |
Pricing (USD) |
Quantity | ||||||
![]() |
![]() M5271EVB |
![]() Freescale Semiconductor |
![]() Development Boards & Kits - COLDFIRE MCF5270/71 EVAL BO |
![]() Data Sheet |
![]() Negotiable |
|
||||||
![]() |
![]() M5271EVBE |
![]() Freescale Semiconductor |
![]() Development Boards & Kits - Other Processors MCF5270/71 EVAL BO |
![]() Data Sheet |
![]()
|
|
||||||
![]() |
![]() M52721SP |
![]() Other |
![]() |
![]() Data Sheet |
![]() Negotiable |
|
||||||
![]() |
![]() M52722SP |
![]() Other |
![]() |
![]() Data Sheet |
![]() Negotiable |
|
||||||
![]() |
![]() M5272C3 |
![]() |
![]() KIT EVAL FOR M5272 W/ETHERNET |
![]() Data Sheet |
![]() Negotiable |
|
||||||
![]() |
![]() M5272C3E |
![]() Freescale Semiconductor |
![]() Development Boards & Kits - Other Processors EVAL KIT FOR THE M5272C3 |
![]() Data Sheet |
![]()
|
|
||||||
(China (Mainland))










