Product Summary
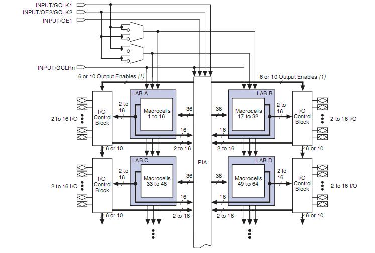
The EPM3128ATC100-10N is a low-cost, high-performance EEPROM based on the Altera MAX architecture. Fabricated with advanced CMOS technology, the EPM3128ATC100-10N operatea with a 3.3-V supply voltage and provides 600 to 10,000 usable gates, ISP, pin-to-pin delays as fast as 4.5 ns, and counter speeds of up to 227.3 MHz. The EPM3128ATC100-10N in the –4, –5, –6, –7, and –10 speed grades is compatible with the timing requirements of the PCI Special Interest Group (PCI SIG) PCI Local Bus Specification. The EPM3128ATC100-10N contains 32 to 512 macrocells, combined into groups of 16 macrocells called logic array blocks (LABs). Each macrocell has a programmable–AND/fixed–OR array and a configurable register with independently programmable clock, clock enable, clear, and preset functions.
Parametrics
EPM3128ATC100-10N absolute maximum ratings: (1)Supply voltage:–0.5V to 4.6V; (2)DC input voltage:–2.0V to 5.75V; (3)DC output current, per pin:–25mA to 25 mA; (4)Storage temperature:–65℃ to 150℃; (5)Ambient temperature:–65℃ to 135℃; (6)Junction temperature:135℃.
Features
EPM3128ATC100-10N features: (1)PCI compatible; (2)Bus–friendly architecture including programmable slew–rate control; (3)Open–drain output option; (4)Programmable macrocell flipflops with individual clear, preset, clock, and clock enable controls; (5)Programmable power–saving mode for a power reduction of over 50% in each macrocell; (6)Configurable expander product–term distribution, allowing up to 32 product terms per macrocell; (7)Programmable security bit for protection of proprietary designs; (8)High–density PLDs ranging from 600 to 10,000 usable gates ; (9)4.5–ns pin–to–pin logic delays with counter frequencies of up to 227.3 MHz; (10)MultiVoltTM I/O interface enabling the device core to run at 3.3V, while I/O pins are compatible with 5.0–V, 3.3–V, and 2.5–V logic levels; (11)Pin counts ranging from 44 to 256 in a variety of thin quad flat pack (TQFP), plastic quad flat pack (PQFP), plastic J–lead chip carrier (PLCC), and FineLine BGATM packages; (12)Hot–socketing support; (13)Programmable interconnect array (PIA) continuous routing structure for fast, predictable performance; (14)Industrial temperature range.
Diagrams

| Image | Part No | Mfg | Description | ![]() |
Pricing (USD) |
Quantity | ||||||
|---|---|---|---|---|---|---|---|---|---|---|---|---|
![]() |
![]() EPM3128ATC100-10N |
![]() |
![]() IC MAX 3000A CPLD 128 100-TQFP |
![]() Data Sheet |
![]()
|
|
||||||
| Image | Part No | Mfg | Description | ![]() |
Pricing (USD) |
Quantity | ||||||
![]() |
![]() EPM3 |
![]() Meterman |
![]() Test Accessories - Other COMBINATION PHASE & MOTOR ROT TESTER |
![]() Data Sheet |
![]() Negotiable |
|
||||||
![]() |
![]() EPM3032ALC44-10 |
![]() |
![]() IC MAX 3000A CPLD 32 44-PLCC |
![]() Data Sheet |
![]()
|
|
||||||
![]() |
![]() EPM3032ALC44-10N |
![]() |
![]() IC MAX 3000A CPLD 32 44-PLCC |
![]() Data Sheet |
![]()
|
|
||||||
![]() |
![]() EPM3032ALC44-4 |
![]() |
![]() IC MAX 3000A CPLD 32 44-PLCC |
![]() Data Sheet |
![]()
|
|
||||||
![]() |
![]() EPM3032ALC44-4N |
![]() |
![]() IC MAX 3000A CPLD 32 44-PLCC |
![]() Data Sheet |
![]()
|
|
||||||
![]() |
![]() EPM3032ALC44-7 |
![]() |
![]() IC MAX 3000A CPLD 32 44-PLCC |
![]() Data Sheet |
![]()
|
|
||||||
(China (Mainland))











