Product Summary
The LP2980IM5X-3.3 is a micropower 50mA ultra low-dropout regulator, which is designed specifically to meet the requirements of battery-powered applications. The applications of the LP2980IM5X-3.3 include: Cellular Phone, Palmtop/Laptop Computer, Personal Digital Assistant (PDA) and so on.
Parametrics
LP2980IM5X-3.3 maximum ratings: (1)Storage Temperature Range: 65℃ to +150℃; (2)Operating Junction Temperature Range: 40℃ to +125℃; (3)Lead Temperature(Soldering, 5 sec.) 260℃; (4)ESD Rating: 2 kV; (5)Input Supply Voltage (Survival): 0.3V to +16V; (6)Input Supply Voltage (Operating): 2.1V to +16V; (7)Shutdown Input Voltage (Survival): 0.3V to +16V; (8)Output Voltage (Survival):0.3V to +9V.
Features
LP2980IM5X-3.3 features: (1)Ultra low dropout voltage; (2)Output voltage accuracy 0.5% (A Grade); (3)Guaranteed 50 mA output current; (4)Smallest possible size (SOT-23, micro SMD package); (5)Requires only 1 μF external capacitance; (6)< 1 μA quiescent current when shutdown; (7)Low ground pin current at all load currents; (8)High peak current capability (150 mA typical).
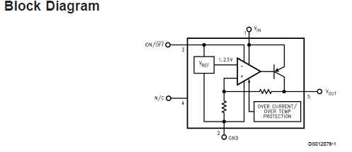
Diagrams

| Image | Part No | Mfg | Description | ![]() |
Pricing (USD) |
Quantity | ||||||||||||
|---|---|---|---|---|---|---|---|---|---|---|---|---|---|---|---|---|---|---|
![]() |
![]() LP2980IM5X-3.3 |
![]() National Semiconductor (TI) |
![]() Low Dropout (LDO) Regulators |
![]() Data Sheet |
![]()
|
|
||||||||||||
![]() |
![]() LP2980IM5X-3.3/NOPB |
![]() National Semiconductor (TI) |
![]() Low Dropout (LDO) Regulators |
![]() Data Sheet |
![]()
|
|
||||||||||||
(China (Mainland))










