Product Summary
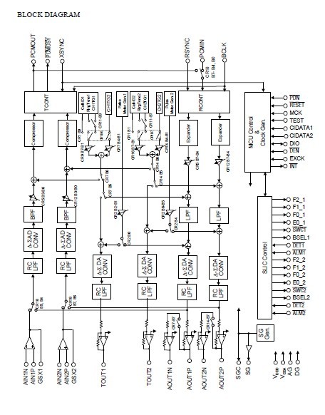
The ML7037-003TBZ03A is a 2-channel PCM CODEC CMOS IC designed for Central Office (CO) and Customer Premise Equipment (CPE) environments. The device contains 2-channel analog-to-digital (A/D) and digital-toanalog (D/A) converters with multiplexed PCM input and output. The ML7037-003TBZ03A is designed for single-rail, low power applications. The high integration of it reduces the number of external components and overall board size. The device is best suited for line card applications and provides an easy interface to subscriber line interface circuits, in particular the Intersil RSLICTM series.
Parametrics
ML7037-003TBZ03A absolute maxing ratings: (1)On the conditions of VDDD, VDDA, Power Supply Voltage VDD: –0.3 to +7.0 V; (2)Analog Input Voltage VAIN: –0.3 to VDD+0.3 V; (3)Digital Input Voltage VDIN: –0.3 to VDD+0.3 V; (4)Storage Temperature TSTG: –55 to +150 ℃.
Features
ML7037-003TBZ03A features: (1)Power-on reset; (2)Dual programmable tone generators (300 Hz to 3400 Hz; 10Hz intervals; 0.1 dB intervals): Call progress tone, DTMF tone; (3)Ringing tone generator (15 Hz to 50 Hz; 1Hz intervals; 0.1 dB intervals); (4)Pulse metering tone generator (12 kHz, 16 kHz; gain level selectable); (5)Call ID tone generator (ITU-T V.23, Bell 202); (6)Analog and digital loop back test modes; (7)Time-slot assignment; (8)Serial MCU interface; (9)Master clock: 2.048 MHz/4.096 MHz selectable; (10)Serial PCM transmission data rate: 256 kbps to 4096 kbps; (11)Adjustable transmit/receive gain (1 dB intervals); (12)Built-in reference voltage generator; (13)Differential or single-ended analog output selectable.
Diagrams

| Image | Part No | Mfg | Description | ![]() |
Pricing (USD) |
Quantity | ||||
|---|---|---|---|---|---|---|---|---|---|---|
![]() |
![]() ML7037-003TBZ03A-7 |
![]() Oki Semiconductor |
![]() Telecom Voice Conditioning ICs VSP, Dual EC 120ms Noise Canceller 17dB |
![]() Data Sheet |
![]() Negotiable |
|
||||
| Image | Part No | Mfg | Description | ![]() |
Pricing (USD) |
Quantity | ||||
![]() |
![]() ML7037-001TB |
![]() Oki Semiconductor |
![]() Telecom Voice Conditioning ICs PORTABL HANDS FREE 16-BIT Linear CODEC |
![]() Data Sheet |
![]() Negotiable |
|
||||
![]() |
![]() ML7037-002TBZ03A |
![]() Oki Semiconductor |
![]() Telecom Voice Conditioning ICs Portable Voice Hands Free |
![]() Data Sheet |
![]() Negotiable |
|
||||
![]() |
![]() ML7037-003TBZ03A-7 |
![]() Oki Semiconductor |
![]() Telecom Voice Conditioning ICs VSP, Dual EC 120ms Noise Canceller 17dB |
![]() Data Sheet |
![]() Negotiable |
|
||||
![]() |
![]() ML70Q5111LA |
![]() Other |
![]() |
![]() Data Sheet |
![]() Negotiable |
|
||||
![]() |
![]() ML70Q5110LA |
![]() Other |
![]() |
![]() Data Sheet |
![]() Negotiable |
|
||||
![]() |
![]() ML7074-004GA |
![]() Other |
![]() |
![]() Data Sheet |
![]() Negotiable |
|
||||
(China (Mainland))









