Product Summary
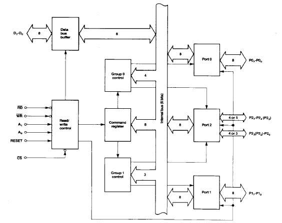
The μPD71055C-10 is a low-power CMOS programmable parallel interface unit for use in microcomputer systems. Typical, the there I/O ports interface peripheral devices to the system bus.
Parametrics
μPD71055C-10 absolute maxing ratings: (1)Power supply voltage VDD: -0.5 to +7.0V; (2)Input voltage VI: -0.5 to VDD+0.3V; (3)Output voltage Vo: -0.5 to VDD +0.3V; (4)Power dissipation PDMAX: 500mW; (5)Operating temperature Topr: -40 to +85℃; (6)Storage temperature Tstg: -65 to +150℃.
Features
μPD71055C-10 features: (1)Three 8-bit I/O ports; (2)Three programmable operation modes; (3)Bit manipulation command; (4)Microcomputer compatible; (5)CMOS technology; (6)Single +5V ±10% power supply; (7)Industrial temperature range: -40 to +85℃; (8)8MHz and 10MHz.
Diagrams

![]()  | 
                            ![]() UPD70008AG-4  | 
                            ![]() Other  | 
                            ![]()  | 
                            ![]() Data Sheet  | 
                            ![]() Negotiable  | 
                            
                            	 | 
                      ||||
![]()  | 
                            ![]() UPD70236AGD-10-5BB  | 
                            ![]() Other  | 
                            ![]()  | 
                            ![]() Data Sheet  | 
                            ![]() Negotiable  | 
                            
                            	 | 
                      ||||
![]()  | 
                            ![]() UPD7030025AGC-25  | 
                            ![]() Other  | 
                            ![]()  | 
                            ![]() Data Sheet  | 
                            ![]() Negotiable  | 
                            
                            	 | 
                      ||||
![]()  | 
                            ![]() UPD703014A  | 
                            ![]() Other  | 
                            ![]()  | 
                            ![]() Data Sheet  | 
                            ![]() Negotiable  | 
                            
                            	 | 
                      ||||
![]()  | 
                            ![]() UPD703014AY  | 
                            ![]() Other  | 
                            ![]()  | 
                            ![]() Data Sheet  | 
                            ![]() Negotiable  | 
                            
                            	 | 
                      ||||
![]()  | 
                            ![]() UPD703015A  | 
                            ![]() Other  | 
                            ![]()  | 
                            ![]() Data Sheet  | 
                            ![]() Negotiable  | 
                            
                            	 | 
                      ||||
 (China (Mainland)) 
                         
                        
                                    






