Product Summary
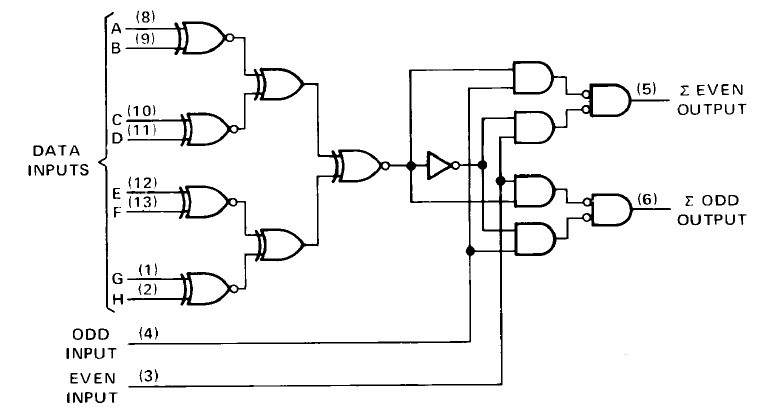
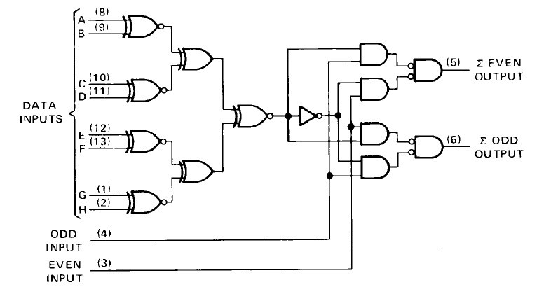
The SN74180N is a 9-bit odd/even parity generator/checker. It utilizes familiar series 54/74 TTL circuitry and feature odd/even outputs and control inputs to facilitate operation in either odd or even-parity applications. Depending on whether even or odd parity is being generated or checked, the even or odd inputs can be utilized as the parity or 9th-bit input. The world-length capability is easily expanded by cascading.
Parametrics
SN74180N absolute maxing ratings: (1)Supply voltage, VCC: 7V; (2)Input voltage: 5.5V; (3)Operating free-air temperature range: 0℃ to 70℃; (4)Storage temperature range: -65℃ to 150℃.
Features
SN74180N features: (1)VIH high-level input voltage: min=2V; (2)VIL: low-level input voltage: max=0.8V; (3)On the conditions of VCC=MIN, II=-12mA, VIK input clamp voltage: max=-1.5V; (4)On the conditions of VCC=MIN, VIH=2V, VIL=0.8V, IOH=-800μA: min=2.4V, typ=3.3V; (5)On the conditions of VCC=MAX, VI=5.5V, II input current at maximum input voltage: typ=0.2V, max=0.4V.
Diagrams

![]() |
![]() SN7400 |
![]() Other |
![]() |
![]() Data Sheet |
![]() Negotiable |
|
||||||||||||
![]() |
![]() SN7400D |
![]() Texas Instruments |
![]() Gates (AND / NAND / OR / NOR) Quad 2-input Positive-NAND gates |
![]() Data Sheet |
![]()
|
|
||||||||||||
![]() |
![]() SN7400DE4 |
![]() Texas Instruments |
![]() Gates (AND / NAND / OR / NOR) Quad 2-input Positive-NAND gates |
![]() Data Sheet |
![]()
|
|
||||||||||||
![]() |
![]() SN7400DG4 |
![]() Texas Instruments |
![]() Gates (AND / NAND / OR / NOR) Quad 2-input Pos- NAND |
![]() Data Sheet |
![]()
|
|
||||||||||||
![]() |
![]() SN7400DR |
![]() |
![]() IC QUAD 2IN POS-NAND GATE 14SOIC |
![]() Data Sheet |
![]() Negotiable |
|
||||||||||||
![]() |
![]() SN7400DRE4 |
![]() |
![]() IC QUAD 2IN POS-NAND GATE 14SOIC |
![]() Data Sheet |
![]() Negotiable |
|
||||||||||||
(China (Mainland))









